For for fameless cabinets with overlay doors. 165 Degree full Overlay Clip-On Euro Hinge with 00 mm mounting plate including premounted screws
10mm expanding dowels and screws included
Gets door completely out-of-the-way for slide-outs and trays. Liberty Hardware’s part number on the cup of the hinge is 165DA48
DOWELS ARE EASILY REMOVED IF NOT NEEDED
- TECHNICAL SPECIFICATIONS
- Depth of metal cup 11.3mm
- Cup diameter 35mm, 45mm drill centers
- Opening 165 degrees
- 00 Crank overlay
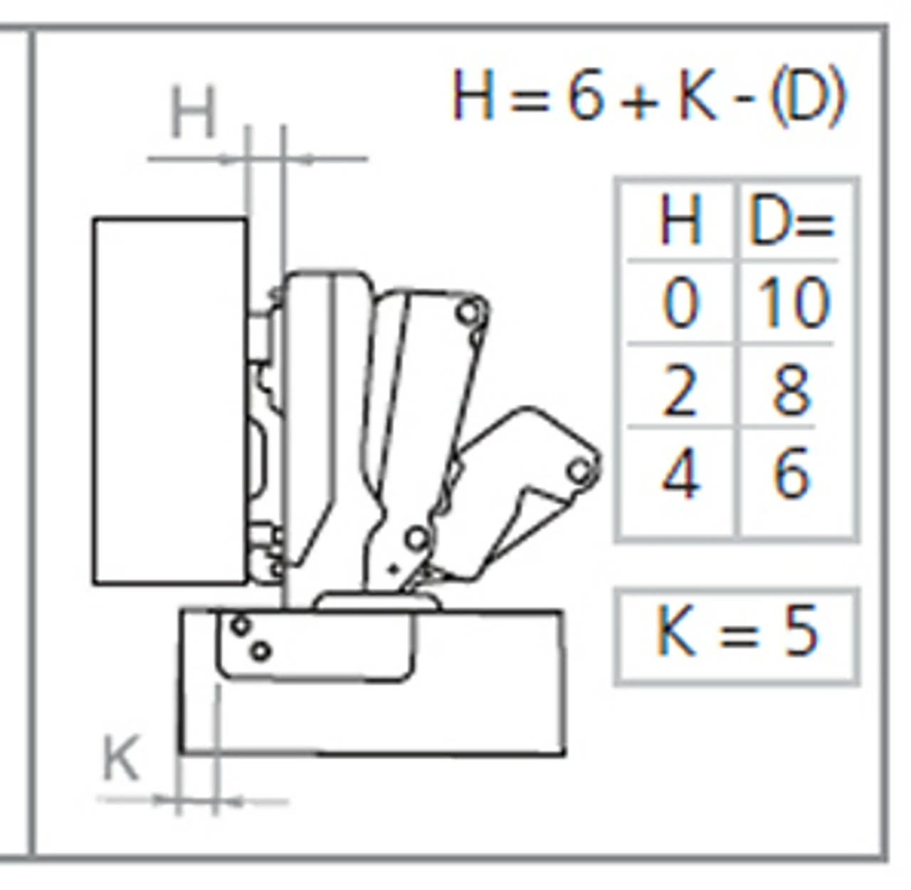
- Able to drill door (K) from 3 to 7 mm
- Self closing
- Thickness of door(t) from 16 to 26mm
- Finish: Nickel Plated
- Depth of metal cup 11.3mm
Mounting plates that can be used with this hinge:
For Wood Screws – 35mm
L-H71006-NP-A L-H71008-NP-A L-H71009-NP-A
With Euro Screws – 35mm
L-H71011-NP-A L-H71010-NP-A L-H71012-NP-A
Height Adjustable for Wood Screws – 35mm
L-H71013-NP-A L-H71014-NP-A L-H71015-NP-A
For Face Frame Cabinets – 35mm
L-H71035-NP-A L-H71036-NP-A
LQ-H71051-NP-A


















Reviews
There are no reviews yet.