26mm mini hinge. Does not come with plate.
- TECHNICAL SPECIFICATIONS
- Depth of metal cup 10mm
- Cup diameter 26mm
- Opening 95 degrees
- 1/2 overlay 08 Crank
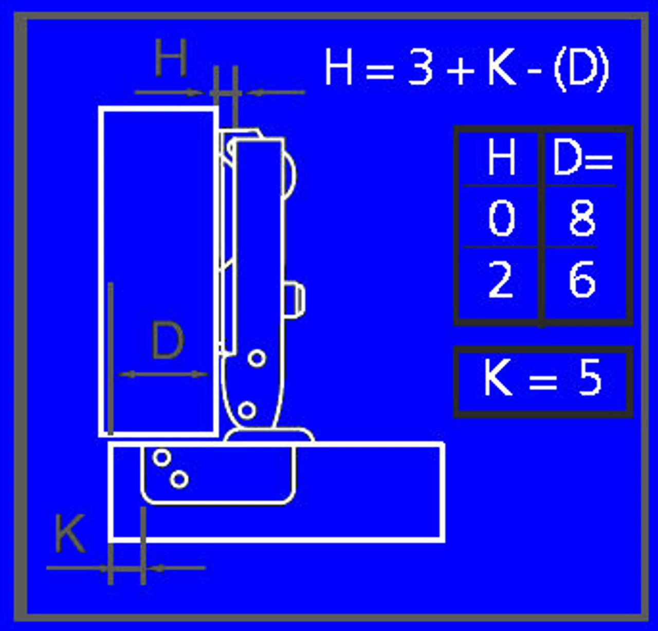
- Able to drill door (k) from 3 to 5mm
- Self closing
- Thickness of door(D) from 16 to 26mm
- Finish: Nickel Plated
- Depth of metal cup 10mm
SEE TECHNICAL INFORMATION FOR CORRECT SCREWS. Mounting plates that can be used with this hinge:
For Mini and Glass Door Hinge – 26mm
LQ-71007-NP-A LQ-H71019-NP-A
















Reviews
There are no reviews yet.